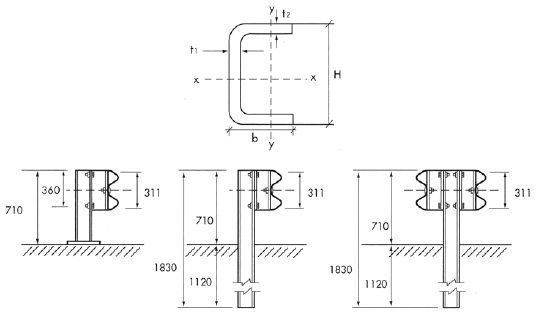
Highway Guardrail

Free Consultation Services
Please contact us any methods provided below regarding making appointment. Thank you.

Contact us
HIGHWAY GUARDRAIL PRODUCT FEATURES & APPLICATION
SPECIFICATION AND TECHNICAL DATA